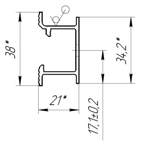
Мини-рейл - это основной элемент опорных конструкций для крепежа солнечных панелей.
Изготовлен из алюминиевого сплава Al 6005-T5 с уплотнителем EDPM в основании. Мини-рейл имеет длину 240 мм, высоту 21 мм, в комплект поставки входят кровельные саморезы.
Предназначен для монтажа солнечных панелей на кровлю с небольшим углом наклона для улучшения вентиляции подмодульного пространства. Также пригоден для фальцевой кровли, так как большая высота мини-рейла позволяет укладывать панели не касаясь фальцевого сгиба.



